
Dārzs
addremove
Māja
addremove
Atlaides
Par Mums
Kontakti
Dārzs
addremove
Māja
addremove
Atlaides
Par Mums
Kontakti
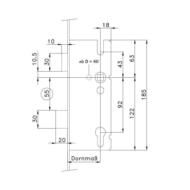
Daudzfunkcionālā slēdzene Winkhaus STV-UG 2460 L01 R4 MC ir mūsdienīgs risinājums PVC, alumīnija un koka ieejas durvīm. Tās centrālā bloķēšanas sistēma un papildu cilindriskie rullīši (R4) nodrošina stabilu spiedienu starp durvju vērtni un rāmi, uzlabojot durvju blīvējumu un izturību. MC pārklājums aizsargā detaļas no korozijas un pagarina mehānisma kalpošanas laiku.
Slēdzenes ar rokturi un serdes slēdzeni.
Pielietojums:
PVC, alumīnija un koka ieejas durvis,
Vienvirzu durvju paneļi,
Vietas, kurās nepieciešams spēcīgs spiediens un droša aizslēgšana.
U2460 profils – U veida profils, 24 mm plats
Dornmass 40 mm
Pielietojuma diapazons FFH 1875 - 2230 mm
Attālums starp rokturiem: 92 mm
Roktura vārpsta: 8 mm
R4 aizbīdnis – cilindriski spiediena rullīši
MC pārklājums – pretkorozijas pārklājums
Aizbīdnis aizveras, divreiz pagriežot atslēgu par 360 grādiem.
Vienmērīgs spiediens visā durvju vērtnes augstumā. Uzlabota siltumizolācija un skaņas izolācija.
FUHR 25/16 R4 FG daudzpunktu slēdzene (ref. FUHR 25/16 R4 FG)
Send a request to buy this product. We will call you soon.
Daudzpunktu universāla durvju slēdzene FUHR 25/16 R4 FG.
Stieņa platums ir 16 mm, 4 rullīši.
STV-AV3-F1660 L79 45 92/8 M2 LS WINKHAUS automātiskā bloķēšana, kreisajā pusē (ref. 5005471)
Send a request to buy this product. We will call you soon.
STV-AV3-F1660 L79 45 92/8 M2 LS WINKHAUS automātiskā bloķēšana, kreisajā pusē
STV-F 1660/45 92/8 M2 RS (16мм) WINKHAUS slēdzene (ref. 1221456)
Send a request to buy this product. We will call you soon.
WINKHAUS STV-F 1660/45 92/8 M2 RS SL daudzpunktu slēdzene no roktura - pagriežot rokturi uz augšu par 45 grādiem, bloķēšanas elementi kustās.
Galīgo bloķēšanu panāk ar serdi.
FUHR SKG FRA GEALAN LS aizmugurējā bloķēšanas daļa (ref. FUHR FRA VEKA RS)
Send a request to buy this product. We will call you soon.
Aizmugurējā bloķēšanas daļa FUHR FRA LS durvju slēdzenēm GEALAN profilam, pa kreisi (LS).
U 252 х 25 mm
STV-F 1660/35 92/8 M2 LS SL WINKHAUS (16 mm) slēdzene (ref. 1226737)
Send a request to buy this product. We will call you soon.
WINKHAUS STV-F 1660/35 92/8 M2 LS SL multi-lock no rokturi - kad rokturis ir pagriezts līdz 45 grādiem, bloķēšanas elementi pārvietojas.
Galīgo bloķēšanu veic kodols.
STV-FG 2060/45 92/8 M2 LS (20мм) WINKHAUS slēdzene (ref. 2481784)
Send a request to buy this product. We will call you soon.
WINKHAUS STV-FG 2060/45 92/8 M2 LS SL daudzpunktu slēdzene, KREISĀ, roktura slēdzene.
STV-FG 1660/35 92/8 R4 SL (16мм) WINKHAUS slēdzene (ref. 5069292)
Send a request to buy this product. We will call you soon.
WINKHAUS STV-FG 1660/35 92/8 R4 SL daudzpunktu slēdzene, roktura aizdare.
R4- 4 spiediena mucas, D35, 92 sistēma.
STV-FG 2060/45 92/8 M2 RS (20мм) WINKHAUS slēdzene (ref. 1240446)
Send a request to buy this product. We will call you soon.
WINKHAUS STV-FG 2060/45 92/8 M2 RS SL daudzpunktu slēdzene, LABĀ, roktura slēdzene.
STV-F 1660/35 92/8 R4 SL (16мм) WINKHAUS slēdzene (ref. 1223429)
Send a request to buy this product. We will call you soon.
WINKHAUS STV-F 1660/35 92/8 R4 SL daudzpunktu slēdzene, serdes bloķēšana.
STV-FG 1660/45 92/8 RT 4 SL (16мм)WINKHAUS slēdzene (ref. 2095138)
Send a request to buy this product. We will call you soon.
WINKHAUS STV-FG 1660/45 92/8 RT 4 SL daudzpunktu slēdzene, roktura bloķēšana.
R4 - 4 skavas, 2 rullīši un 2 pretielaušanās, D45, 92 sistēma.
FUHR 45/16 R4 FG daudzpunktu slēdzene (ref. FUHR 45/16 R4 FG)
Send a request to buy this product. We will call you soon.
Daudzpunktu universāla durvju slēdzene FUHR 45/16 R4 FG.
Stieņa platums ir 16 mm, 4 rullīši.
STV-F 1660/45 92/8 M2 LS (16мм) WINKHAUS slēdzene (ref. 1221472)
Send a request to buy this product. We will call you soon.
WINKHAUS STV-F 1660/45 92/8 M2 LS SL daudzpunktu slēdzene no roktura - pagriežot rokturi uz augšu par 45 grādiem, bloķēšanas elementi kustās.
Galīgo bloķēšanu panāk ar serdi.
STV-FG 2060/45 92/8 R4 SL (20 мм) WINKHAUS slēdzene (ref. 1240464)
Send a request to buy this product. We will call you soon.
Durvju augstums 1600–2000 mm, R4–4 spiediena trumuļi, D45, 92 sistēma.
Daudzpunktu slēdzene, aizveras no roktura.
PAVO 92/35 K M2 daudzpunktu slēdzene (ref. PAVO 92/35 K M2)
Send a request to buy this product. We will call you soon.
Vērtnes platums 1800mm - 2200mm
Tips: plastmasa ar dzelzs paliktni
Darbības režīmi - no roktura ar āķi
Roktura atrašanās vieta: 92 mm
Ass: 35 mm
Drošība: ekscentriska un pret ielaušanos izturīga
VORNE Multilock 2200 45/92 FG R4 daudzpunktu slēdzene (ref. VR M 2200 45/92 FG R4)
Send a request to buy this product. We will call you soon.
Daudzpunktu plaukta slēdzene ar roktura vadību.
Daudzpunktu slēdzenes - sliedes ir paredzētas uzticamākai durvju bloķēšanai no profila konstrukcijām, galvenokārt no metāla plastmasas. Neslīdošie bloķēšanas punkti neļauj viegli atvērt durvis
Parametri
Sliedes garums 2200mm
Vadība ar rokturi
Aizbīdņa veids Aizbīdnis
Rigels Jā
Centra attālums 92 mm
Aizmugure 45 mm
FUHR SKG FRA VEKA LS aizmugurējā bloķēšanas daļa (ref. FUHR FRA VEKA LS)
Send a request to buy this product. We will call you soon.
Aizmugurējā bloķēšanas daļa FUHR FRA LS durvju slēdzenēm VEKA profilam, pa kreisi (LS).
U 252 х 25 mm