




WINKHAUS STV-FG 2060/45 92/8 M2 LS SL многозапорный замок, ЛЕВЫЙ, закрывание от ручки.
Высота двери 1,875 - 2,230 мм, М2 - два "клыка", массивных стальных ригеля. Высокий стандарт безопасности.
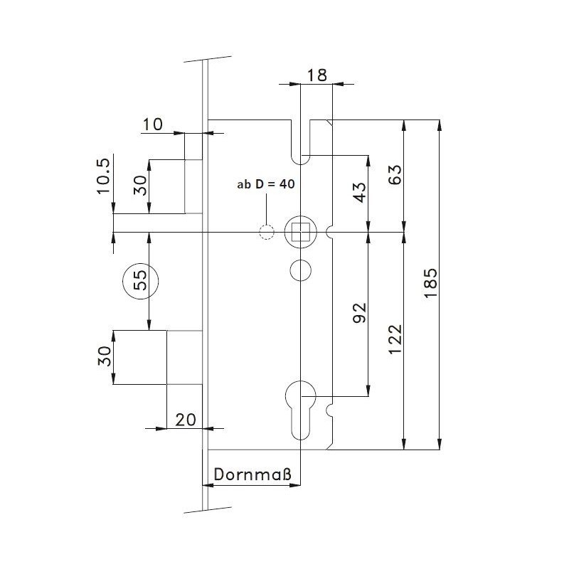
Dornma B - 45mm
D45, 92 система, левый (LS).
STV-FG 1660/45 92/8 M2 RS (16мм) WINKHAUS замок (арт. 1221407)
Отправьте запрос на покупку этого товара. Мы скоро свяжемся с вами.
WINKHAUS STV-FG 1660/45 92/8 M2 RS SL многозапорный замок, закрывание от ручки.
, D45, 92 система.
WINKHAUS Griffgarnitur RN RAL 9016 комплект ручек для балконных дверей (ЗАКАЖИ) (арт. RN RAL 9016)
Отправьте запрос на покупку этого товара. Мы скоро свяжемся с вами.
WINKHAUS Griffgarnitur RN RAL 9016 специальный комплект ручек для балконных дверей, цвет белый, подходят для замков GRMA, GAMA (WINKHAUS).
Нанесено лого WH.
STV-F 2060/45 92/8 R4 (16мм) WINKHAUS замок (арт. 2089205)
Отправьте запрос на покупку этого товара. Мы скоро свяжемся с вами.
WINKHAUS STV-F 2060/45 92/8 R4 SL многозапорный замок, закрывание от сердечника.
Высота двери 1800-2000mm, R4- 4 прижимных барабана, D45, 92 система.
DB11 SL WINKHAUS ограничитель поворота створки (арт. DB11)
Отправьте запрос на покупку этого товара. Мы скоро свяжемся с вами.
Ограничитель поворота створки на определённый угол, даёт возможность открывать на угол до 90 градусов.
Не зависит от типа фурнитуры.
Минимальный размер фальца (горизонтальная длина фурнитурного паза) створки 460 мм.
MK.500 -1 WINKHAUS ACTIVPILOT удленитель блокады (арт. MK.500-1)
Отправьте запрос на покупку этого товара. Мы скоро свяжемся с вами.
Удлинитель блокады WINKHAUS MK.500-1, модель фурнитуры ACTIVPILOT
GAM.1400-2 (D-7,5) WINKHAUS ACTIVPILOT замок (арт. GAM.1400-2 (D-7,5))
Отправьте запрос на покупку этого товара. Мы скоро свяжемся с вами.
WINKHAUS GAM.1400-2 замок. C малой кассетой DORMAS - 7,5 mm
Модель фурнитуры ACTIVPILOT, тип - противовзломная, имеет 2 противовзломных 8-гранных "грибков" с возможностью регулировки прижима вручную.
STV-F 1660/30 92/8 R4 SL (16мм) WINKHAUS замок (арт. 1223866)
Отправьте запрос на покупку этого товара. Мы скоро свяжемся с вами.
WINKHAUS STV-F 1660/30 92/8 R4 SL многозапорный замок, закрывание от сердечника.
ALS-FSS WINKHAUS AUTOPILOT блокада-микролифт, правый (арт. ALS-FSS RS)
Отправьте запрос на покупку этого товара. Мы скоро свяжемся с вами.
Блокада-микролифт ALS-FSS, правый - при закрывании створки оконного блока этот дополнительный элемент оконной фурнитуры WINKHAUS приподнимает провисшую створку на несколько миллиметров относительного нижнего рамного профиля.
S.U.13-4 WINKHAUS PROPILOT поворотно-откидной зацеп,вертикальный (арт. S.U.13-4)
Отправьте запрос на покупку этого товара. Мы скоро свяжемся с вами.
S.U.13-4 WINKHAUS PROPILOT поворотно-откидной зацеп,вертикальный
GAM.2300-3 (D-15,5) WINKHAUS ACTIVPILOT замок (арт. GAM.2300-3)
Отправьте запрос на покупку этого товара. Мы скоро свяжемся с вами.
WINKHAUS GAM.2300-3 замок.
Модель фурнитуры ACTIVPILOT, тип - противовзломная, имеет 3 противовзломных 8-гранных "грибков" с возможностью регулировки прижима вручную.
DS.24 WINKHAUS детский замок ,белый (арт. DS24)
Отправьте запрос на покупку этого товара. Мы скоро свяжемся с вами.
Спроси остаток на складе!
Детский замок Winkhaus DS.24 (Германия) позволяет ограничивать открывания створки окна в распашное положение, но при этом не ограничивает работы створки в режиме проветривания.
Внешний вид окна не портится, так как замок устанавливается путем врезания в створку.
Фиксация ключом обеспечивает защиту детей и повышает безопасность окон от взлома.
SK.U.1.21-13.RS WINKHAUS ProPILOT кронштейн,правый (арт. 4992362)
Отправьте запрос на покупку этого товара. Мы скоро свяжемся с вами.
SK.U.1.21-13. кронштейн правый
Производитель WINKHAUS
система proPilot
Сторона открытия Правая
По петлям Видимый
Маркировка (оси крепления) 13
Материал окна ПВХ
MVR 35/1 WK WINKHAUS AUTOPILOT удлинитель (арт. MVR 35/1 WK)
Отправьте запрос на покупку этого товара. Мы скоро свяжемся с вами.
Удлинитель WINKHAUS MVR 35/1 WK, противовзломный, модель фурнитуры AUTOPILOT.
Арт. 1110469.
STV-FG 1660/45 92/8 RT 4 SL (16мм) WINKHAUS замок (арт. 2095138)
Отправьте запрос на покупку этого товара. Мы скоро свяжемся с вами.
WINKHAUS STV-FG 1660/45 92/8 RT 4 SL многозапорный замок, закрывание от ручки.
R4- 4 прижима, 2- ролика и 2 противовзломна , D45, 92 система.
STV-FG 1660/35 92/8 M2 LS (16мм) WINKHAUS замок (арт. 5069290)
Отправьте запрос на покупку этого товара. Мы скоро свяжемся с вами.
WINKHAUS STV-FG 1660/35 92/8 M2 LS SL многозапорный замок, закрывание от ручки.
, D35, 92 система.
DL.K.U.20-12 RS SL WINKHAUS ProPILOT поворотный кронштейн (арт. DL.K.U.20-12 RS SL)
Отправьте запрос на покупку этого товара. Мы скоро свяжемся с вами.
WINKHAUS PROPILOT поворотный кронштейн DL.K.U.20-12 RS SL
Арт. 4938652