




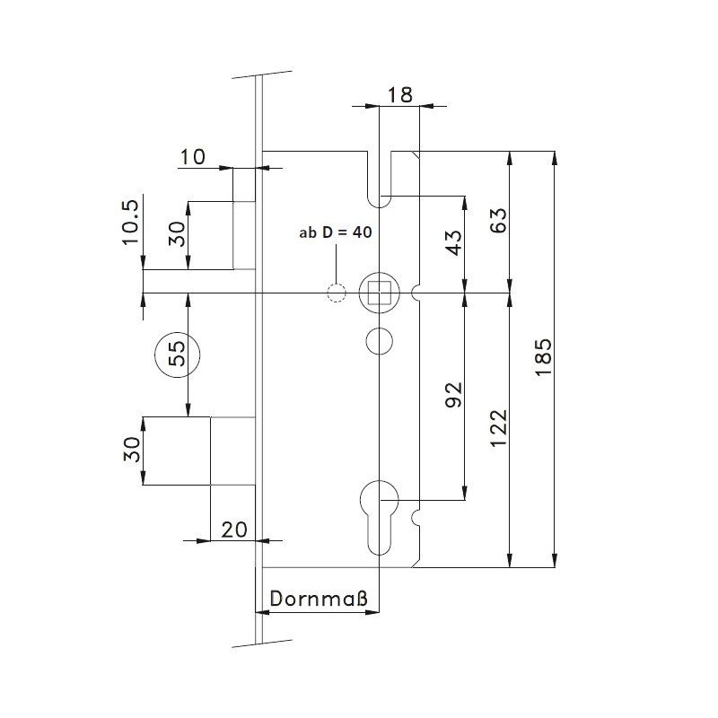
WINKHAUS STV-F 2060/45 92/8 M2 RS SL многозапорный замок от ручки - при повороте ручки вверх на 45 градусов происходит движение запорных элементов.
Окончательное запирание производится сердечником.
Высота двери 1,875 - 2,230 мм, М2 - два "клыка", массивных стальных ригеля. Высокий стандарт безопасности.
Dornma B - 45mm
D45, 92 система, правый (RS).
SWTF 40-18 / 9-12 RS WINKHAUS AUTOPILOT кронштейн для деревянных окон, правый (арт. SWTF 40-18 / 9-12 RS)
Отправьте запрос на покупку этого товара. Мы скоро свяжемся с вами.
SWTF 40-18 / 9-12 RS кронштейн для деревянных окон, правый.
AUTOPILOT, арт. 2025308.
GAM.800 (D-7,5) WINKHAUS ACTIVPILOT замок (арт. GAM.800 (D-7,5))
Отправьте запрос на покупку этого товара. Мы скоро свяжемся с вами.
WINKHAUS GAM.800 замок. C малой кассетой DORMAS - 7,5 mm
Модель фурнитуры ACTIVPILOT, тип - противовзломная.
HAUTAU DUOPORT SK 100/160 LS комплект, левый (арт. 4940987 LS)
Отправьте запрос на покупку этого товара. Мы скоро свяжемся с вами.
HAUTAU DUOPORT SK 100/160 LS комплект,левый
Тележки для раздвижный дверей.
WSK 252 WINKHAUS ответная часть (арт. WSK 252)
Отправьте запрос на покупку этого товара. Мы скоро свяжемся с вами.
WSK 252 WINKHAUS ответная часть
BK UNIVERSAL WINKHAUS комплект курильщика № 1 (арт. BK uni nr1)
Отправьте запрос на покупку этого товара. Мы скоро свяжемся с вами.
Комплект из универсальной балконной защёлки, 2 устаночных пластиковых формтейля, ручка PS из пластика, белая.
SK2.20-13 LS WINKHAUS ACTIVPILOT кронштейн (арт. SK2.20-13 LS)
Отправьте запрос на покупку этого товара. Мы скоро свяжемся с вами.
WINKHAUS ACTIVPILOT кронштейн SK2.20-13 LS
Артикул 2844143.
Поставляется без пластиковой накладки.
SW 40-20/9 LS WINKHAUS AUTOPILOT кронштейн (арт. SW 40-20/9 LS)
Отправьте запрос на покупку этого товара. Мы скоро свяжемся с вами.
WINKHAUS AUTOPILOT кронштейн SW 40-20/9 LS, левый
Поставляется без пластиковой накладки.
WSK 21Z-U WINKHAUS ответная часть (арт. 21Z-U)
Отправьте запрос на покупку этого товара. Мы скоро свяжемся с вами.
WINKHAUS 21Z-U ответная часть
FWV RS WINKHAUS AUTOPILOT нижняя петля на створку, правая (арт. FWV RS)
Отправьте запрос на покупку этого товара. Мы скоро свяжемся с вами.
WINKHAUS FWV RS усиленная нижняя петля на створку (Арт. 1945188), правая.
WSK 48 WINKHAUS откидная ответная планка (арт. WSK 48)
Отправьте запрос на покупку этого товара. Мы скоро свяжемся с вами.
WSK 48 WINKHAUS откидная ответная планка
BK UNIVERSAL WINKHAUS балконная защёлка (арт. BK UNI)
Отправьте запрос на покупку этого товара. Мы скоро свяжемся с вами.
Универсальная (левая/правая). Защелка комплектуется 2 установочными формтейлями для PVC профилей.
Балконная защёлка подходит для любой модели установленной фурнитуры.
Если ПВХ профиль неизвестен, то формтейли подгоняются по месту клиентом.
WINKHAUS (FLEX,PILOT,AUTOPILOT) комплект накладок на петли, цвет белый (арт. WH Autopilot)
Отправьте запрос на покупку этого товара. Мы скоро свяжемся с вами.
Комплект накладок на петли для окон из ПВХ WINKHAUS (FLEX,PILOT,AUTOPILOT).
MK.500 -1 WINKHAUS ACTIVPILOT удленитель блокады (арт. MK.500-1)
Отправьте запрос на покупку этого товара. Мы скоро свяжемся с вами.
Удлинитель блокады WINKHAUS MK.500-1, модель фурнитуры ACTIVPILOT
ER 15 WK WINKHAUS AUTOPILOT противовзломный угол (арт. ER 15WK)
Отправьте запрос на покупку этого товара. Мы скоро свяжемся с вами.
Тип товара: Уголок ER 15 WK AUTOPLOT
Материал окна: алюминий дерево пластик сталь
Монтажный паз дверного полотна: Монтажный паз 16 мм
Сторона установки: DIN левая, DIN правая
Зазор надреза - порог: -1,00 мм
Монтажное положение: Нижний шарнир Вертикальная рама сверху Вертикальная рама снизу
Тип точки фиксации: Эксцентриковый роликовый штифт WK
Количество точек запирания: 2.00
ALS-FSS WINKHAUS AUTOPILOT блокада-микролифт, левый (арт. ALS-FSS LS)
Отправьте запрос на покупку этого товара. Мы скоро свяжемся с вами.
Блокада-микролифт ALS-FSS, левый - при закрывании створки оконного блока этот дополнительный элемент оконной фурнитуры WINKHAUS приподнимает провисшую створку на несколько миллиметров относительного нижнего рамного профиля.
DB11 SL WINKHAUS ограничитель поворота створки (арт. DB11)
Отправьте запрос на покупку этого товара. Мы скоро свяжемся с вами.
Ограничитель поворота створки на определённый угол, даёт возможность открывать на угол до 90 градусов.
Не зависит от типа фурнитуры.
Минимальный размер фальца (горизонтальная длина фурнитурного паза) створки 460 мм.