
Для сада
addremove
Для дома
addremove
Скидки
О нас
Контакты
Для сада
addremove
Для дома
addremove
Скидки
О нас
Контакты
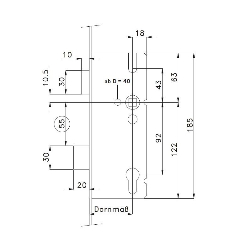
Многофункциональный замок Winkhaus STV T-U2460 L01 R4 MC — это современное решение для входных дверей из ПВХ, алюминия и дерева. Его центральная система запирания и дополнительные цилиндрические ролики (R4) обеспечивают стабильное давление между дверным полотном и рамой, повышая герметичность и долговечность двери. Покрытие MC защищает компоненты от коррозии и продлевает срок службы механизма.
Запирание от сердечника.
Области применения:
входные двери из ПВХ, алюминия и дерева,
одностворчатые дверные полотна,
места, требующие сильного давления и надежного запирания.
U2460 планка – U-образный профиль, ширина 24 мм
Dornmass 40мм
Диапазон применения FFH 1875 - 2230 мм
Расстояние между ручками 92 мм
Шпиндель ручки 8 мм
Засов R4 – цилиндрические прижимные ролики
Покрытие MC – антикоррозийное
Защелка закрывается поворотом ключа на 360 градусов дважды.
Равномерное давление по всей высоте дверного полотна
Улучшенная тепло- и звукоизоляция двери
STV-FG 1660/35 92/8 R4 SL (16мм) WINKHAUS замок (арт. 5069292)
Отправьте запрос на покупку этого товара. Мы скоро свяжемся с вами.
WINKHAUS STV-FG 1660/35 92/8 R4 SL многозапорный замок, закрывание от ручки.
R4- 4 прижимных барабана, D35, 92 система.
STV-FG 1660/45 92/8 RT 4 SL (16мм) WINKHAUS замок (арт. 2095138)
Отправьте запрос на покупку этого товара. Мы скоро свяжемся с вами.
WINKHAUS STV-FG 1660/45 92/8 RT 4 SL многозапорный замок, закрывание от ручки.
R4- 4 прижима, 2- ролика и 2 противовзломна , D45, 92 система.
VORNE Multilock 2200 35/92 FG R4 многозапорный замок (арт. VR M 2200 35/92 FG R4)
Отправьте запрос на покупку этого товара. Мы скоро свяжемся с вами.
Многозапорный замок-рейка с управлением от ручки.
Многозапорные замки - рейки предназначены для более надежного запирания дверей из профильных конструкций, прежде всего металлопластиковых. Нескользо запорных точек не позволяют с легкостью отжимать дверь
STV-F 1660/45 92/8 R4 SL (16мм) WINKHAUS замок (арт. 1224658)
Отправьте запрос на покупку этого товара. Мы скоро свяжемся с вами.
WINKHAUS STV-F 1660/45 92/8 R4 SL многозапорный замок, закрывание от сердечника.
FUHR SKG FRA VEKA RS ответная часть (арт. FUHR FRA VEKA RS)
Отправьте запрос на покупку этого товара. Мы скоро свяжемся с вами.
Ответная часть FUHR FRA для дверных замков FUHR для профиля VEKA, правая (RS).
U 252 х 25 mm
STV-FG 1660/45 92/8 M2 LS (16мм) WINKHAUS замок (арт. 1221423)
Отправьте запрос на покупку этого товара. Мы скоро свяжемся с вами.
WINKHAUS STV-FG 1660/45 92/8 M2 LS SL многозапорный замок, закрывание от ручки.
, D45, 92 система.
FUHR 35/16 R4 многозапорный замок с роликом (арт. FUHR 35/16 R4)
Отправьте запрос на покупку этого товара. Мы скоро свяжемся с вами.
Многозапорный универсальный дверной замок с роликом FUHR 35/16 R4.
Ширина планки 16 мм, 4 ролика.
STV-FG 2060/45 92/8 M2 LS (20мм) WINKHAUS замок (арт. 2481784)
Отправьте запрос на покупку этого товара. Мы скоро свяжемся с вами.
WINKHAUS STV-FG 2060/45 92/8 M2 LS SL многозапорный замок, ЛЕВЫЙ, закрывание от ручки.
STV-FG 1660/35 92/8 M2 RS (16мм) WINKHAUS замок (арт. 5069289)
Отправьте запрос на покупку этого товара. Мы скоро свяжемся с вами.
WINKHAUS STV-FG 1660/35 92/8 M2 RS SL многозапорный замок, закрывание от ручки.
, D35, 92 система.
STV-F 2060/45 92/8 M2 LS (20мм) WINKHAUS замок (арт. 1224955)
Отправьте запрос на покупку этого товара. Мы скоро свяжемся с вами.
WINKHAUS STV-F 2060/45 92/8 M2 LS SL многозапорный замок от ручки - при повороте ручки вверх на 45 градусов происходит движение запорных элементов.
Окончательное запирание производится сердечником.
STV-F 2060/45 92/8 R4 (20 мм) WINKHAUS замок (арт. 2089205)
Отправьте запрос на покупку этого товара. Мы скоро свяжемся с вами.
WINKHAUS STV-F 2060/45 92/8 R4 SL многозапорный замок, закрывание от сердечника.
Высота двери 1800-2000mm, R4- 4 прижимных барабана, D45, 92 система.
FUHR SKG FRA GEALAN,DECCO LS ответная часть (арт. FUHR FRA GEALAN,DECCO LS)
Отправьте запрос на покупку этого товара. Мы скоро свяжемся с вами.
Ответная часть FUHR FRA для дверных замков FUHR для профиля GEALAN и DECCO , левая (LS).
U 252 х 25 mm
STV-FG 1660/45 92/8 R4 SL (16мм) WINKHAUS замок (арт. 1229814)
Отправьте запрос на покупку этого товара. Мы скоро свяжемся с вами.
WINKHAUS STV-FG 1660/45 92/8 R4 SL многозапорный замок, закрывание от ручки.
R4- 4 прижимных барабана, D45, 92 система.
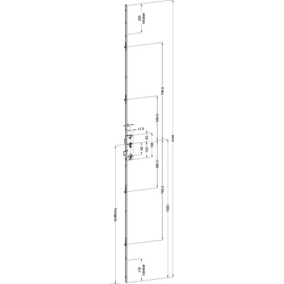
STV-UG 2460 L01 WINKHAUS U24/40/92/8 R4 MC (24mm) замок (арт. STV-UG 2460)
Отправьте запрос на покупку этого товара. Мы скоро свяжемся с вами.
Многофункциональный замок Winkhaus STV -UG2460 L01 R4 MC — это современное решение для входных дверей из ПВХ, алюминия и дерева. Его центральная система запирания и дополнительные цилиндрические ролики (R4) обеспечивают стабильное давление между дверным полотном и рамой, повышая герметичность и долговечность двери. Покрытие MC защищает компоненты от коррозии и продлевает срок службы механизма.
Запирание от ручки и довод сердечником.
Области применения:
входные двери из ПВХ, алюминия и дерева,
одностворчатые дверные полотна,
места, требующие сильного давления и надежного запирания.
VORNE Multilock 2200 25/92 FG R4 многозапорный замок (арт. VR M 2200 25/92 FG R4)
Отправьте запрос на покупку этого товара. Мы скоро свяжемся с вами.
Многозапорный замок-рейка с управлением от ручки.
Многозапорные замки - рейки предназначены для более надежного запирания дверей из профильных конструкций, прежде всего металлопластиковых. Нескользо запорных точек не позволяют с легкостью отжимать дверь
Параметры
Длина рейки 2200мм
Управление От ручки
Тип защелки Защелка
Ригель Есть
Межосевое растояние 92 мм
Дорнмасс 25мм
ROTO AS 800-026-84 005 RS встречная планка (арт. ROTO AS 800-026-84 RS)
Отправьте запрос на покупку этого товара. Мы скоро свяжемся с вами.
ROTO AS 800-026-84 RS 005
ПРАВАЯ
247xU29x6 мм